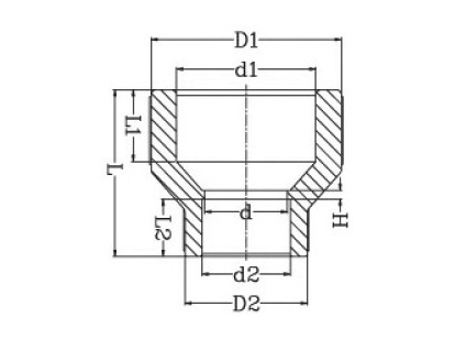
異徑接頭
|
Nominal |
Socket Type |
|
SIZE |
D |
d1 |
D1 |
d2 |
D2 |
L |
|
3/4"*1/2" |
25 |
24.1 |
33.6 |
15.3 |
28.0 |
34.9 |
|
1"*3/4" |
32 |
31.0 |
42.4 |
24.1 |
33.6 |
42.4 |
|
1-1/4"*1" |
40 |
39.0 |
52.6 |
31.0 |
42.4 |
51.4 |
|
1-1/2"*1-1/4" |
50 |
49.0 |
66.0 |
39.0 |
52.6 |
59.2 |
|
2"*1-1/2" |
63 |
61.9 |
84.4 |
49.0 |
66.0 |
69.7 |
|
2-1/2"*2" |
75 |
73.6 |
95.8 |
61.9 |
84.4 |
78.4 |
|
3"*2" |
90 |
88.3 |
113.7 |
61.9 |
84.4 |
86.4 |
|
3"*2-1/2" |
90 |
88.3 |
113.7 |
73.6 |
95.8 |
89.9 |
|
4"*2-1/2" |
110 |
107.9 |
138.4 |
73.6 |
138.4 |
100.1 |
|
4"*3" |
110 |
107.9 |
138.4 |
88.3 |
138.4 |
104.1 |