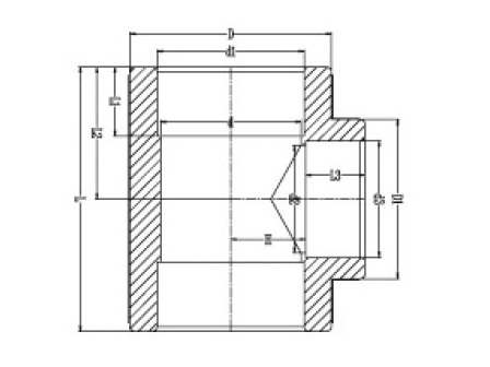
異徑三通
|
Nominal |
Socket Type |
Structural Diameter |
|
SIZE |
d1 |
D |
D3 |
D1 |
L1 |
L |
|
3/4"*1/2" |
24.1 |
33.6 |
15.3 |
28.0 |
16.3 |
63.1 |
|
1"*3/4" |
31.0 |
42.4 |
24.1 |
33.6 |
18.2 |
74,0 |
|
1-1/4"*1" |
39.0 |
52.6 |
31.0 |
42.4 |
21.6 |
84.1 |
|
1-1/2"*1-1/4" |
49.0 |
66.0 |
39.0 |
52.6 |
25.2 |
101.5 |
|
2"*1-1/2" |
61.9 |
84.4 |
49.0 |
66.0 |
28.6 |
122.4 |
|
2-1/2"*2" |
73.6 |
95.8 |
61.9 |
84.4 |
32.5 |
138.2 |
|
3"*2" |
88.3 |
113.7 |
61.9 |
84.4 |
36.2 |
138.2 |
|
3"*2-1/2" |
88.3 |
113.7 |
73.6 |
95.8 |
36.4 |
164.1 |
|
4"*2-1/2" |
107.9 |
138.4 |
73.6 |
95.8 |
41.9 |
193.8 |
|
4"*3" |
107.9 |
138.4 |
88.3 |
113.7 |
41.9 |
193.8 |